Плиты перекрытий ПДС
Что такое Плиты перекрытий ПДС?
Плиты перекрытий ПДС — это железобетонные элементы, применяемые дл ...
Что такое Плиты перекрытий ПДС?
Плиты перекрытий ПДС — это железобетонные элементы, применяемые для устройства перекрытий в жилых, коммерческих и промышленных зданиях. Они обеспечивают высокую прочность, долговечность и устойчивость к нагрузкам.
Чем отличаются Плиты перекрытий ПДСот других видов перекрытий?
Отличаются точной геометрией, скоростью монтажа и возможностью перекрывать большие пролёты без дополнительного армирования.
Особенности
-
Производятся из тяжелого армированного бетона марки не ниже М200
-
Устойчивы к влаге, температурным перепадам и механическим нагрузкам
-
Совместимы со всеми типами стеновых материалов (кирпич, газобетон, монолит)
-
Возможность изготовления нестандартных размеров под проект
Преимущества Плиты перекрытий ПДС
-
Быстрый монтаж — до 400 м² перекрытий в смену
-
Экономия на опалубке и трудозатратах
-
Минимальная усадка и высокая звукоизоляция
-
Долговечность — срок службы свыше 100 лет
-
Сертифицированная продукция, соответствующая ГОСТ
Область применения
Плиты перекрытий ПДС применяются при строительстве:
-
жилых домов и коттеджей;
-
торговых и офисных зданий;
-
гаражей, подвалов, технических помещений;
-
промышленных и складских комплексов.
Вывод
Плиты перекрытий ПДС — это проверенное временем решение, сочетающее надежность, экономичность и удобство монтажа. Идеальный выбор для тех, кто ценит прочность и качество строительных конструкций.
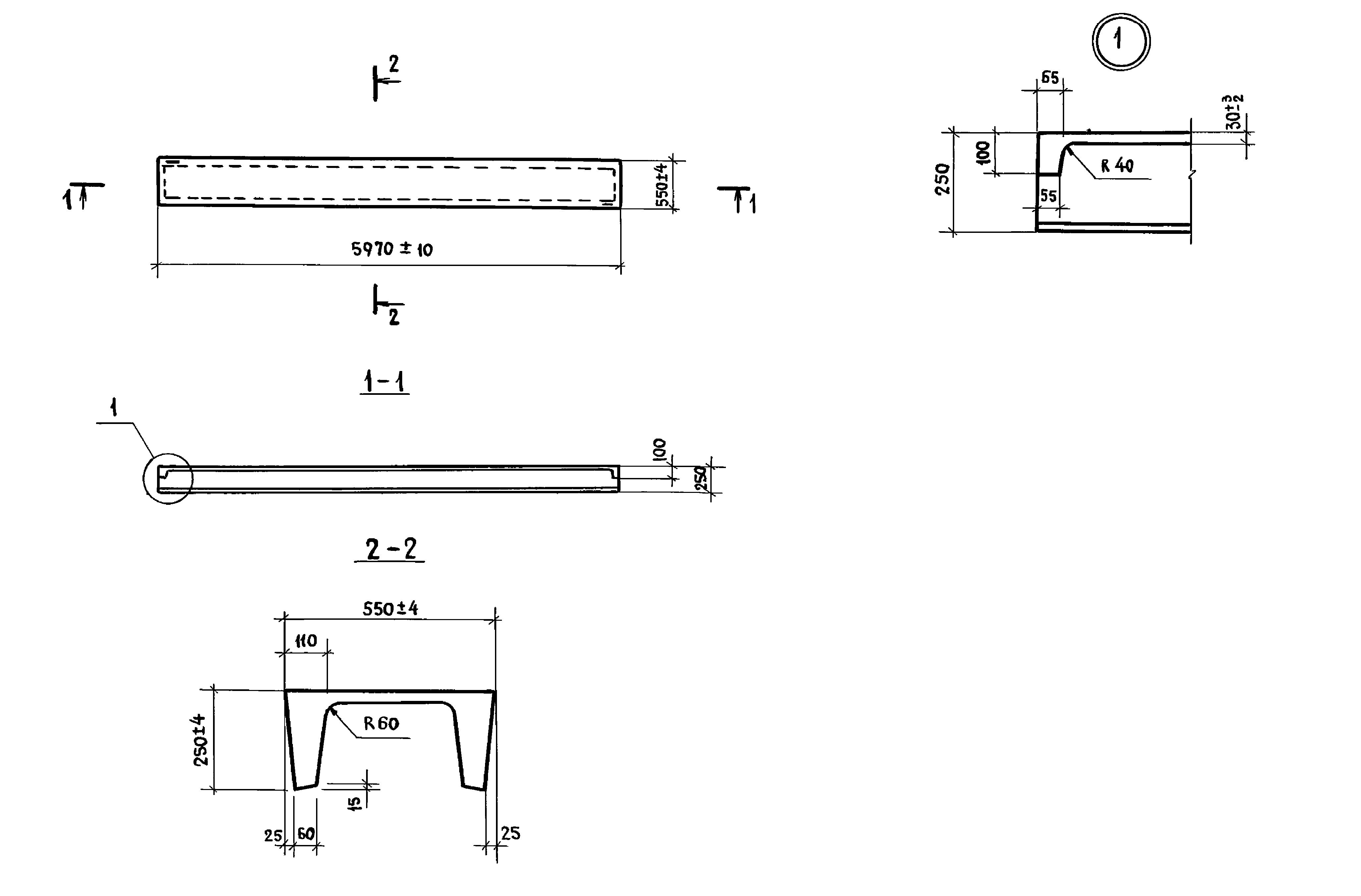
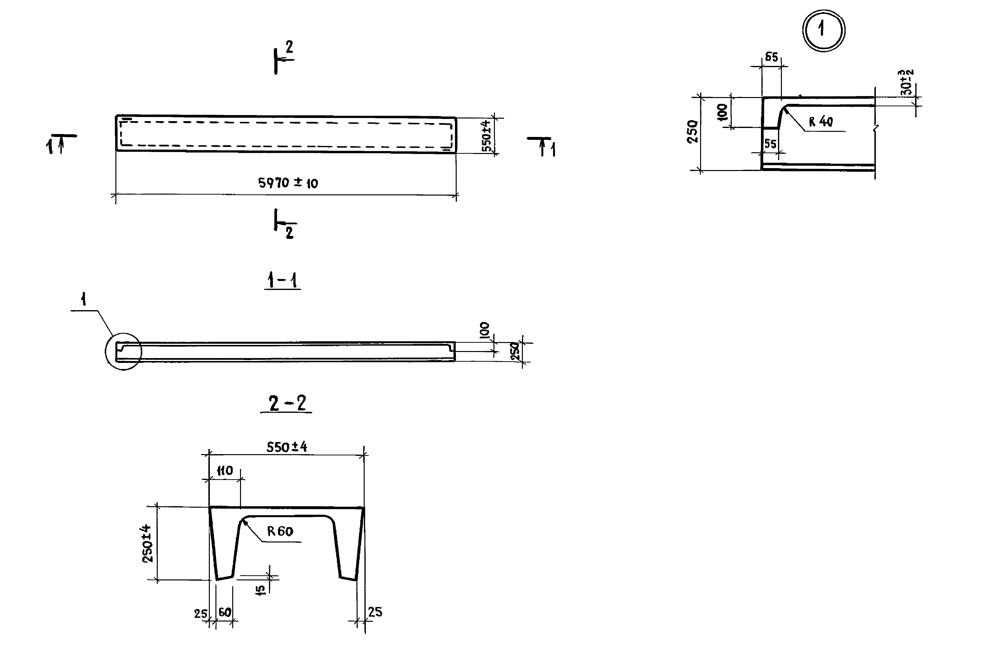
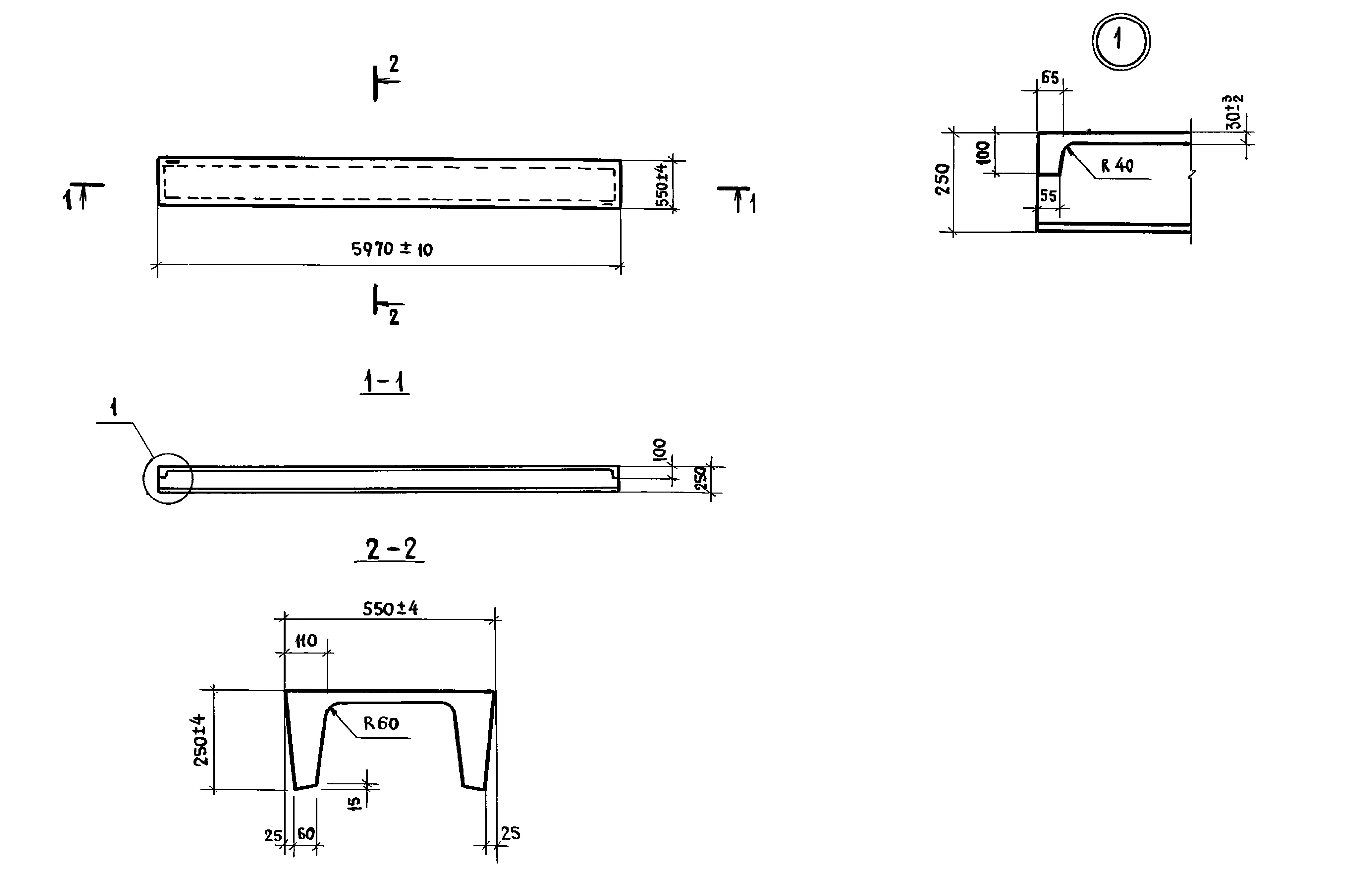
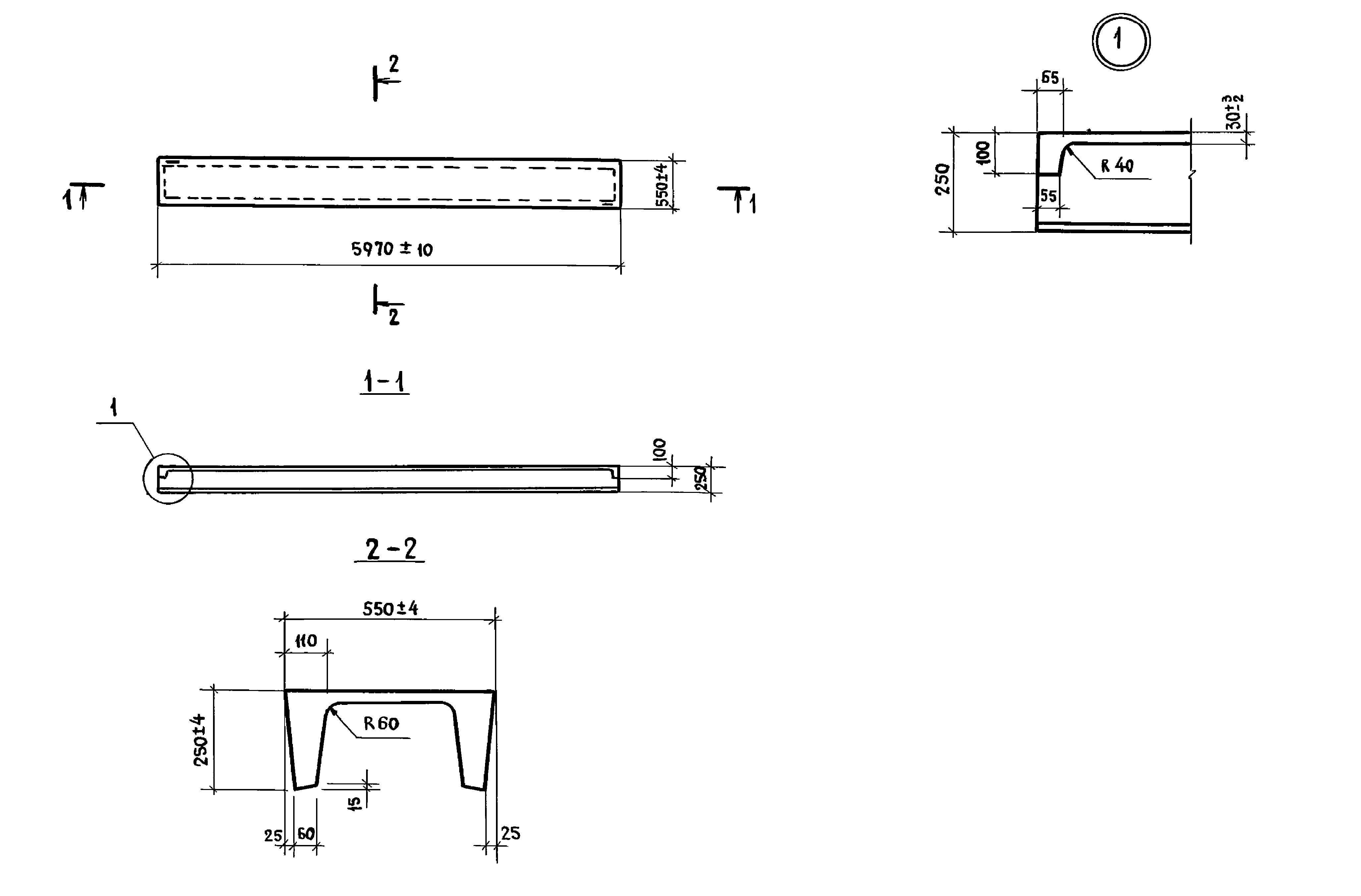
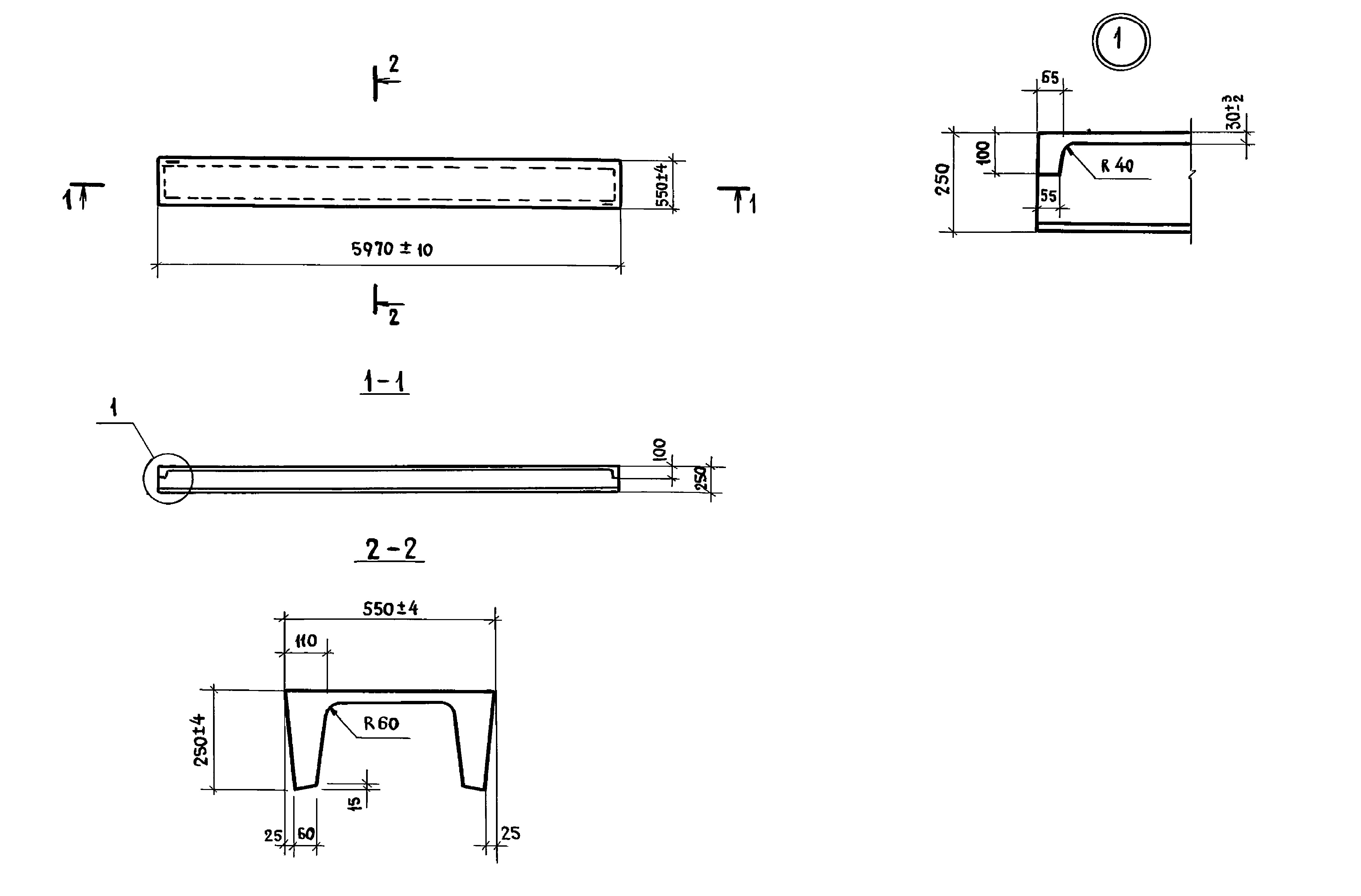
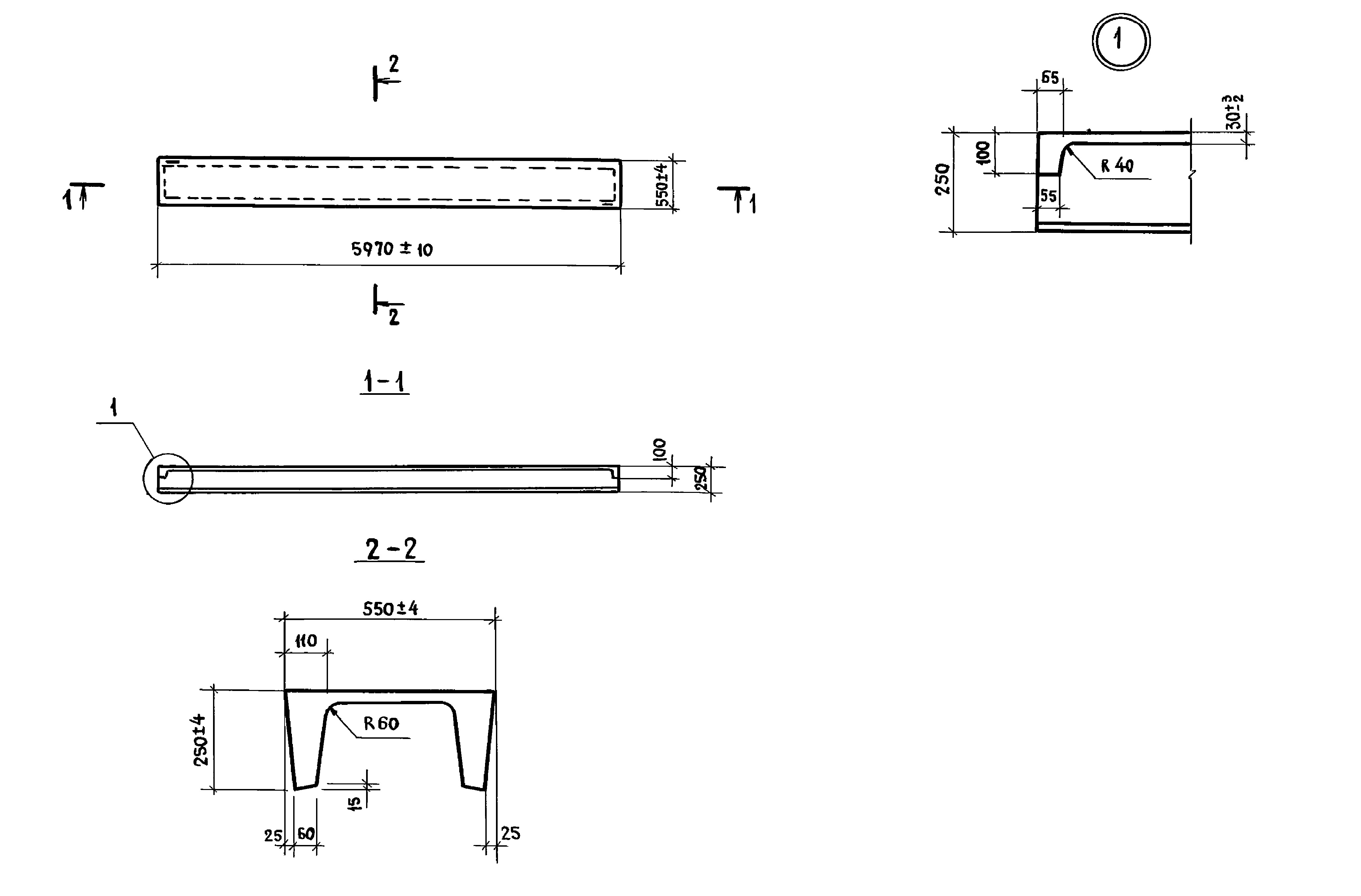
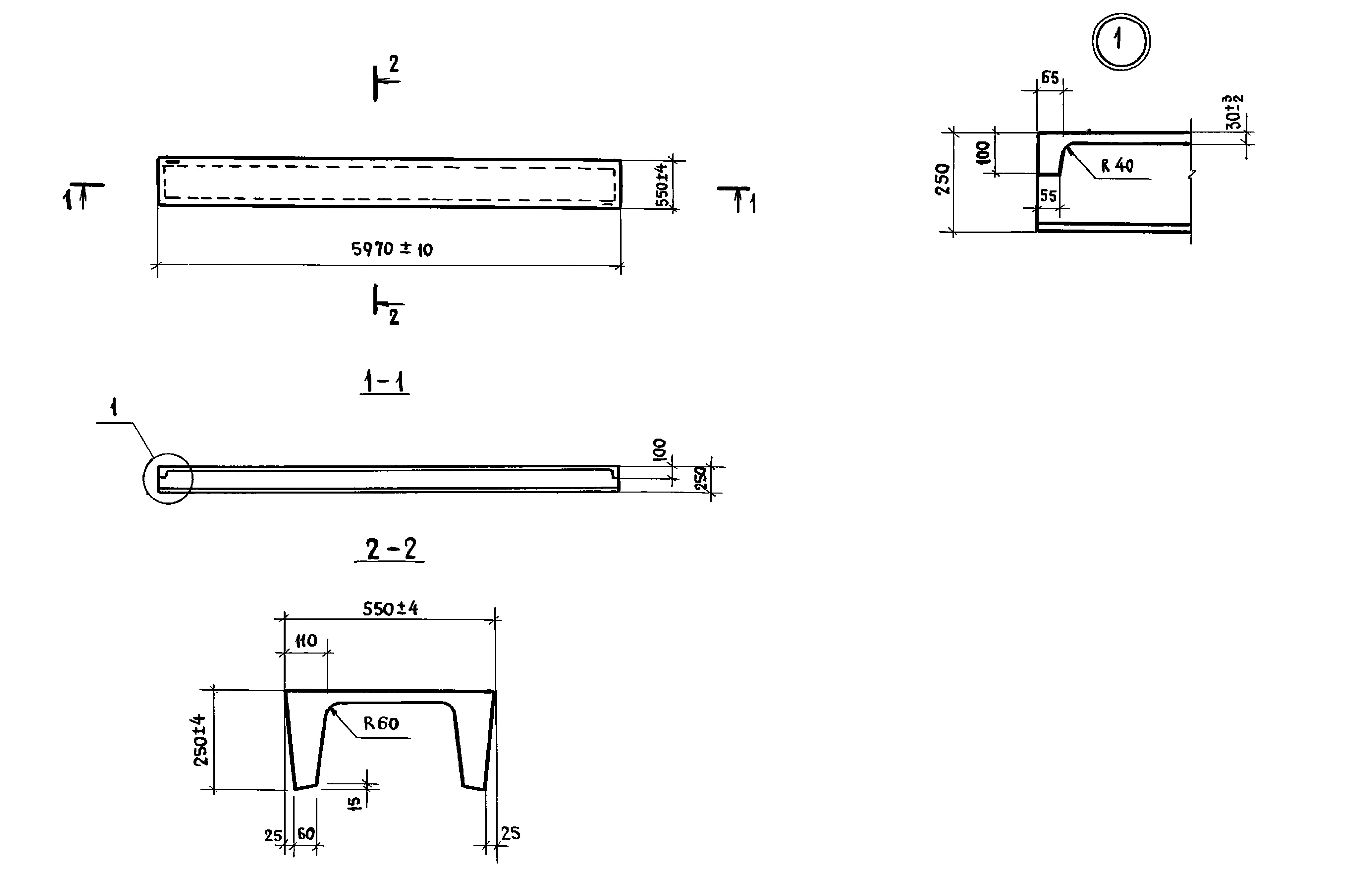
ЦЕНА НА Плиты перекрытий ПДС
| Наименование | Длина, мм. | Ширина, мм. | Высота, мм. | Цена за штуку, (руб) | Количество |
|---|---|---|---|---|---|
| Плита перекрытия 3ПДС6-3 | 5970 | 260 | 250 | 1 840 руб. |
|
| Плита перекрытия 3ПДС6-1 | 5970 | 260 | 250 | 1 840 руб. |
|
| Плита перекрытия 3ПДС6-2 | 5970 | 260 | 250 | 1 840 руб. |
|
| Плита перекрытия 2ПДС6-1 | 5970 | 440 | 250 | 1 960 руб. |
|
| Плита перекрытия 2ПДС6-3 | 5970 | 440 | 250 | 1 960 руб. |
|
| Плита перекрытия 2ПДС6-2 | 5970 | 440 | 250 | 1 960 руб. |
|
| Плита перекрытия 1ПДС6-2 | 5970 | 550 | 250 | 2 090 руб. |
|
| Плита перекрытия 1ПДС6-3 | 5970 | 550 | 250 | 2 090 руб. |
|
| Плита перекрытия 1ПДС6-1 | 5970 | 550 | 250 | 3 050 руб. |
|



